Profils de surface
Profils encastrés
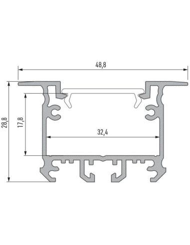
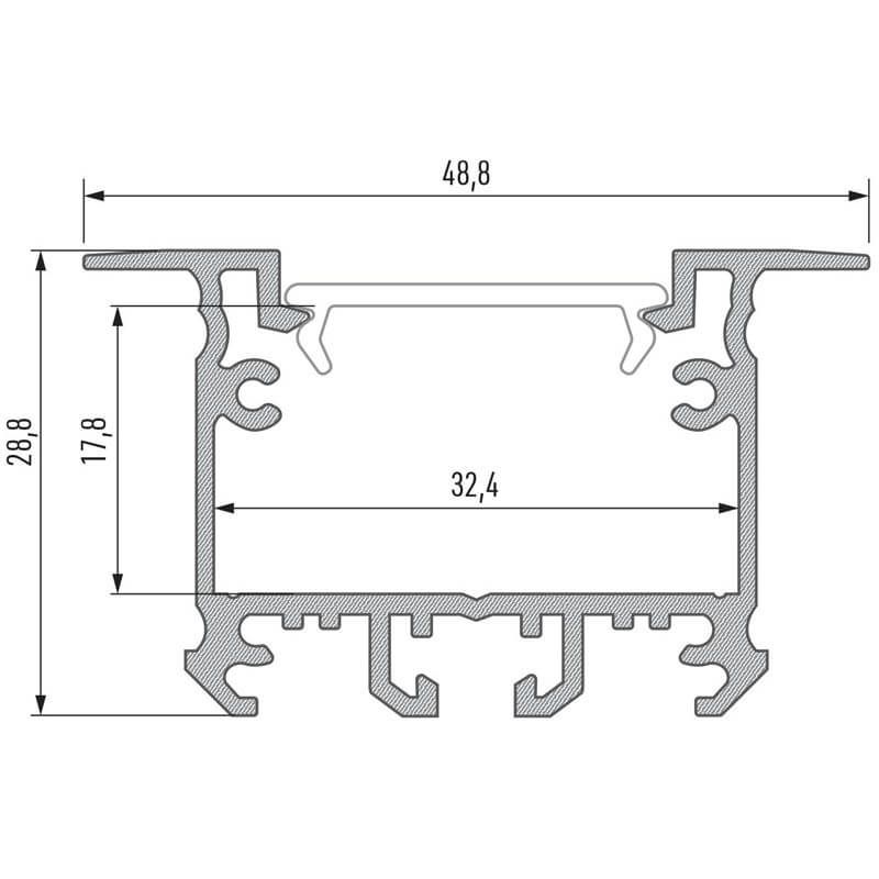
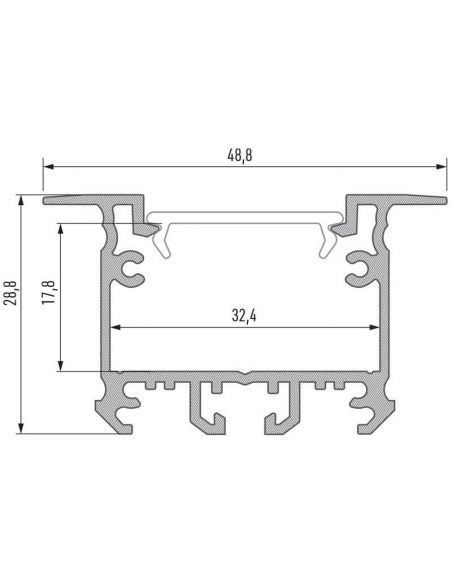
Profilé encastrable pour rubans LED en aluminium -Type B- 2M
Profilés d'angle
Profilé encastré pour installer une ou deux bandes LED, disponible en finition Aluminium et finition Blanc, profil parfait pour installer une bande LED comme éclairage général. Le profil a une longueur de 2020 mm.
N'inclut pas le diffuseur ou les couvertures ou les accessoires.
Vous permet d'installer jusqu'à 2 bandes LED de 12 mm.
Ce profilé Intalia encastré vous permet d'installer 1 ou 2 bandes LED de 2 x 12 mm, parfaites pour l'éclairage général dans n'importe quelle pièce. Disponible en finition Aluminium et en finition blanche, les dimensions du profilé et les modes d'encastrement sont visibles sur l'une des photos.
Ce profil a une longueur de 2,02 mètres, il ne comprend pas de diffuseur de lumière ni d'accessoires. Pour son installation, vous pouvez voir sur l'une des photos comment il peut être installé et au bas de cette page, vous trouverez tous les accessoires pour ce profil.

